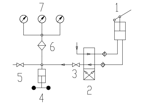
外形結構
1、預壓泵 2、換向閥3、截止閥4、調壓器5、泄壓閥6、排污口7、接表座
管路連接圖

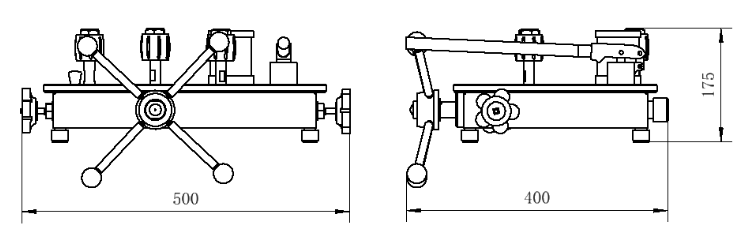
尺寸圖

概述
CW8620C臺式手動氣壓源,結構簡單、穩壓快速。它采用壓桿預壓,螺旋加壓的組合結構,可以提供穩定、可靠的所需壓力,可助力實驗室或者工業現場對(-0.095~6)MPa壓力變送器、壓力開關、壓力表、壓力傳感器的校驗工作。滿足JB/T599-2005壓力表校驗器行業標準。
技術指標
1. 型號:CW8620C
2. 壓力范圍:(-0.095~6)MPa
3. 介質:純凈空氣
4. 最小調節度:10Pa
5. 外形公稱尺寸:500mm×400mm×175mm
6. 重量:15kg
7. 壓力連接:M20*1.5
技術優勢
1.工作效率高
因氣體的物理特性,穩壓時間比液體的短,加壓結束15~20秒后壓力值穩定方便讀數。
2.抗污能力強
針對現場儀器儀表經常會帶入泥沙等污染物的問題,管路系統添加了過濾排污及油氣隔離功能,保護了設備關鍵零件的密封要求,使設備工作性能有穩定。
3.加壓輕松
預壓泵采取二級加壓原理,升壓快速,減輕操作人員工作強度。
4.密封性能更優
根據氣體的物理特性,采取組合密封形式,軟硬結合,密封性能強;
?